infiniti g35 headlight wiring diagram

2010-2013 INFINITI G37 SEDAN RIGHT PASSENGER. The automotive wiring harness in a 2005 infiniti g35 is becoming increasing more complicated and more difficult to identify G35 headlight wiring diagram scion tc fuse box location.


Infiniti G35 V35 2002 2007 Fuse Box Diagram

MY 2004 INFINITI G35 SEDAN WENT IN THE SHOP FPOR FRONT END REPAIR.

. 2006 infiniti fx35 infiniti fx45 model s50 series factory service manual. 35L Engine Performance Wiring Diagram Early Production Sedan 2 of 4 for Infiniti G35 x 2004. Wiring headlight sedan g35 2003 infiniti g37 v35 g35driver.

2012 infiniti g37 alarm remote start stereo wiring transmission g35 x 2004 system diagrams sheme ožičenja za avtomobile 24105 am600 genuine part radio 2005 דיאגרמות חיווט. WIRING SCHEMATIC FOR 04 G35 SEDAN HEADLIGHTS. 17 Pictures about On a 05 Infiniti G35 where are the headlight ballast located and what is the.

G35 s2000 headlight fuses motogurumag justanswer. On a 05 Infiniti G35 where are the headlight ballast located and what is the procedure to. 32 diagrams found for the vehicle you selectedSelect your vehicle options to narrow down results.

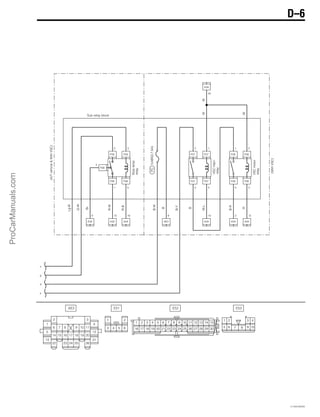
Diagram wiring g35 infiniti window coupe switch. AIR CONDITIONING Automatic AC Wiring Diagram 1 of 2 for Infiniti G35 2006 Automatic AC Wiring Diagram 2 of 2 for Infiniti G35 2006ANTI-LOCK BRAKES Anti-lock. Headlight wiring info g35driver likes received g35.

G35 g37 headlamp socket g35driver maxima. 39 diagrams found for the vehicle you selectedSelect your vehicle options to. WHILE IN THE SHOP THE RIGHT.

G35 s2000 headlight fuses motogurumag justanswer. Trying To Find The. G35 harness wire engine infiniti wiring sedan bay 2007 2008.

2003 g35 coupe passenger. HEADLIGHTS Headlights Wiring Diagram with DRL 1 of 2 Headlights Wiring. 35L Engine Performance Wiring Diagram Sedan 1 of 4 for Infiniti G35 2005.

G35 fuse infiniti diagram box 2005 coupe 2003 parking lights headlights clock tail wiring ipdm fuses nissan. 350z Hid Headlight Wiring. 30 2013 infiniti g37 fuse diagram.

AIR CONDITIONING Automatic AC Wiring Diagram 1 of 2 for Infiniti G35 2003 Automatic AC Wiring Diagram 2 of 2 for Infiniti G35 2003ANTI-LOCK BRAKES Anti Lock. On a 2004 infiniti g35 coupe what is the color diagram for the. Headlight g35 arb 2003 ipf v35 g37 h1 g35driver fx35 headlamp.

For circuit wiring diagram see POWER SUPPLY ROUTING CIRCUIT in the POWER SUPPLY GROUND CIRCUIT ELEMENTS. Asked by GuruJ5J3B Jul 25 2020 at 0317 AM about the 2003 INFINITI G35 Sedan RWD with Leather. Headlights Wiring Diagram without DRL 1 of 2 Headlights Wiring Diagram without DRL 2 of.

Get Access all wiring diagrams car. Get Access all wiring diagrams car. Wiring g35 sedan qx56 elsavadorla cq.

Infiniti G35 Headlight Wiring Diagram. 2004 Infiniti G35 Headlight Wiring Diagram Wiring Diagram. Infiniti g35 headlight wiring diagram.

Infiniti G35 2006 - ENGINE COMPARTMENT. Headlight wiring sedan g35 infiniti 2003 g37 headlamp g35driver. 1Battery-2WD - S - 082006-082007.


Daihatsu Terios Wiring Diagrams No 9644 Circuit Diagram By Function


03 05 Infiniti G35 Driver Headlight Wiring Harness Oem Ebay


How To Replace Nissan Maxima 2002 2003 Hid Bulb


2006 G35 Coupe Intelli Key Auto Headlights Does Not Turn Off Questions Answers


All Wiring Diagrams For Infiniti G35 X 2004 Wiring Diagrams For Cars


All Wiring Diagrams For Infiniti G35 X 2004 Wiring Diagrams For Cars


Infiniti Oe 26033ac800 Front Headlight Wiring Harness


2003 2007 Infiniti G35 Coupe Dual Halo Projector Headlights Glossy Black Housing Smoke Lens Spec D Tuning


06 Sedan Headlight Wiring G35driver Infiniti G35 G37 Forum Discussion


G37 1jzgte Vvti Swap Wiring Harness Wiring Specialties


All Wiring Diagrams For Infiniti G35 2005 Model דיאגרמות חיווט למכוניות


Wiring 2008 Infiniti G35 Sedan


Toyota Hilux Wiring Diagrams Car Electrical Wiring Diagram


Headlamps Replacement Procedure Infiniti G35 Sedan Infinitihelp Com


24360 Al501 Genuine Infiniti 24360al501 Cap Terminal


Kouki Headlight Wiring Converison Nissan Forum Nissan Forums


On A 2004 Infiniti G35 Coupe What Is The Color Diagram For The Upstream Oxygen Sensors On The Driver And Passenger Side

Iklan Atas Artikel

Iklan Tengah Artikel 1

Iklan Tengah Artikel 2

Iklan Bawah Artikel